027-84717481
首页
关于我们
公司简介
企业文化
荣誉资质
新闻中心
技术资讯
行业新闻
产品展示
闸阀
蝶阀
球阀
仪表阀
止回阀
电磁阀
调节阀
过滤器
减压阀
截止阀
石化设备
阀门配件
防腐阀门
水利控制阀
工程案例
工程现场
服务中心
人才招聘
人才理念
招聘岗位
在线咨询
联系我们
产品展示
闸阀
刀型闸阀
契式闸阀
软密封闸阀
蝶阀
通风蝶阀
软密封蝶阀
硬密封蝶阀
球阀
V型球阀
偏心半球阀
软密封球阀
石油天然气专用全焊接球阀
硬密封球阀
仪表阀
止回阀
电磁阀
超高压电磁阀
ZQDF系列电磁阀
ZCZ系列电磁阀
ZCZG高温高压电磁阀
ZCG系列电磁阀
ZBSF系列电磁阀
DF系列电磁阀
2W系列电磁阀
调节阀
过滤器
减压阀
截止阀
柱塞阀
氧气专用阀
国标截止阀
电站阀
波纹管截止阀
石化设备
阀门配件
防腐阀门
水利控制阀
平衡阀
控制阀
电子除垢仪
027-84717481
地址:武汉市洪山区白沙洲大道烽火水暖市场新A11-38号
您当前的位置:
首页
>
产品展示
>
电磁阀
>
2W系列电磁阀
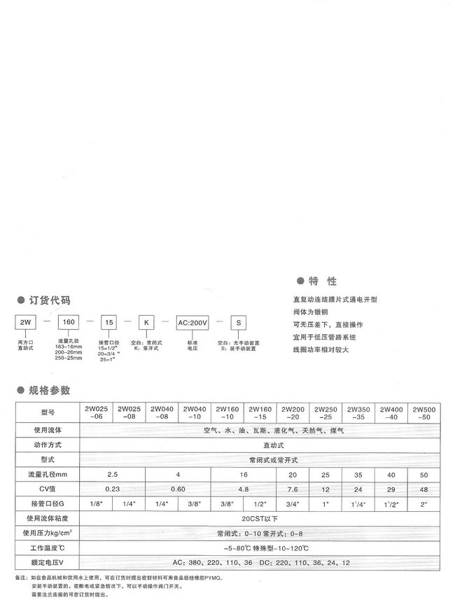
2W系列电磁阀
2W系列电磁阀2
修改时间:2015-12-29 浏览次数:10次
上一条:
2W系列电磁阀1
下一条:
暂无信息
【打印此文】
【关闭窗口】
CLASSIFICATION
产品分类
闸阀
蝶阀
球阀
仪表阀
止回阀
电磁阀
调节阀
过滤器
减压阀
截止阀
石化设备
阀门配件
防腐阀门
水利控制阀
∧
∨
COPYRIGHT 2015 BY 武汉科力特阀门有限公司
备案号:鄂ICP备12003725号-1
联系我们
服务中心
关于我们
核心业务
分享到 / SHARE
鄂公网安备 42010502000669号